乐赢体赢十大真人网

products

产品中心

产品类别

Category

机械密封

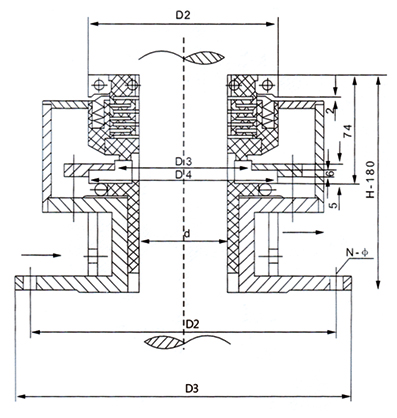
  212型机械密封参数:

  212型四氟波纹管釜用机械密封为单端面小弹簧外流式聚四氟乙烯波纹管机构,主要用适于搪瓷搅拌密封。

  适用范围:

  温度:-10℃-120℃

  压力:<0-0.5Mpa

  转速:<500rpm

扫一扫

浏览我司移动平台

江苏鑫科天建化工设备制造有限公司 版权所有(C)2024 网络支持 著作权声明 网站地图